|
|
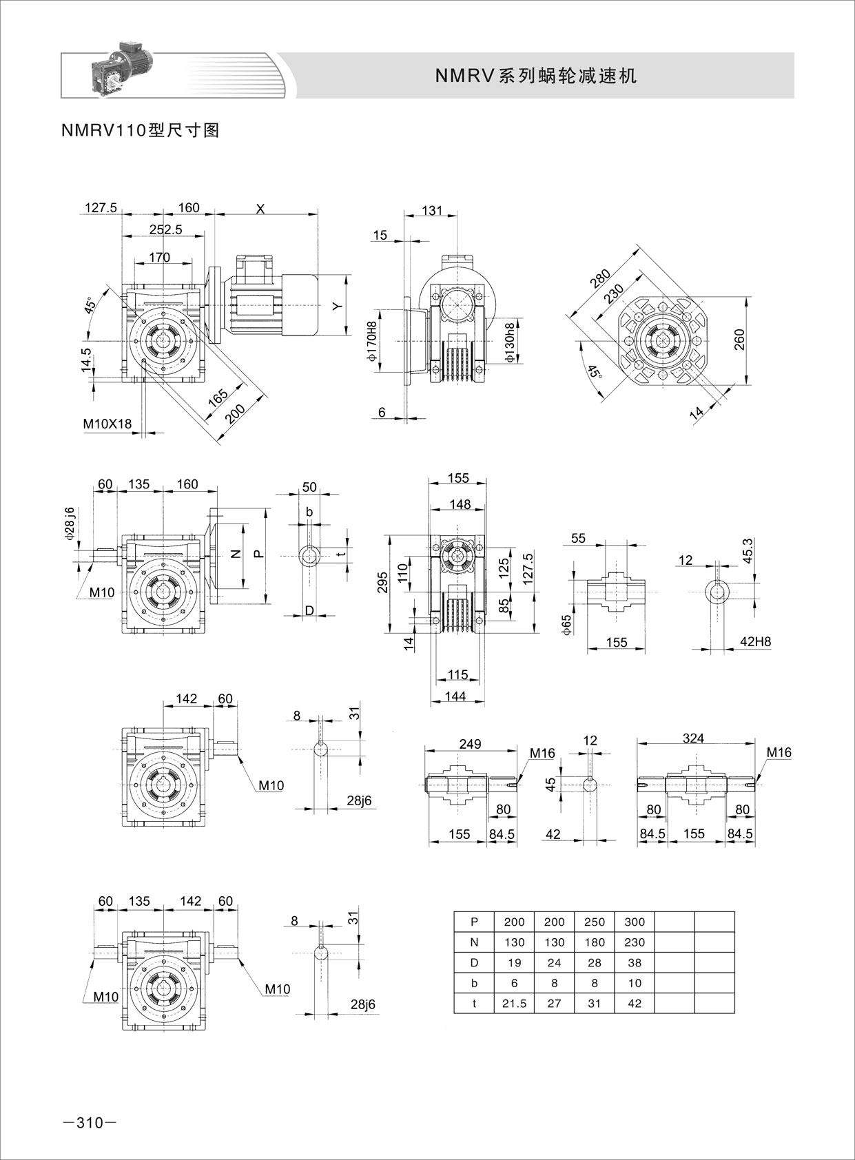
详细介绍
RV安装尺寸,NRV减速机维修,微型电机安装尺寸,电机扭了参数,电机维修,电机说明
RV减速机
RV减速机是蜗轮蜗杆减速机家族中比较常见的减速机之一,它由蜗杆和蜗轮组成,具有结构紧凑,传动比大,以及在一定条件下具有自锁功能的传动机械,是常用的减速机之一而且振动小,噪音低,能耗低。
具有以下优势性能:
1、机械结构紧凑、体积外形轻巧; 2、热交换性能好,散热快;
3、安装简易、灵活轻捷、性能优越、易于维护检修;
4、运行平稳、噪音小,经久耐用;
5、适用性强、安全可靠性大。
目前已广泛应用于各类行业生产工艺装备的机械减速装置,深受用户的好评,是目前现代工业装备实现大扭矩,大速比低噪音、高稳定机械减速传动控制装置的选择。
RV蜗轮蜗杆减速机工作条件
1、传动平稳、振动、冲击和噪音均小,减速比大,通用性广,能与各种机械设备配套使用。
2、能以单级传动获得较大的传动比,结构紧凑,大部分型号减速机有较好的自锁性,对有制动要求的机械设备能节省制动装置。
3、蜗杆螺牙与蜗轮齿面的啮合摩擦损耗较大,因此传动效率要比齿轮低,容易发热和温度较高。
4、对润滑要求较高一些。
5、互配性好,蜗轮蜗杆均按国家的标准制造,轴承、油封等均用标准件。
6、箱体型式有基本型(箱体为带有底脚板的立式或卧式两种结构)(箱体为长方体,多面设有固定螺孔,不带底脚板或另装底脚板等多种结构型式)
具有以下优势性能:1传动速比大.扭矩大.承受过载能力高.2机械结构紧凑.体积轻巧.3热交换性能好.散热快.小型 4 适用性强.安全可靠性大.5运行平稳.噪音小经久耐用;主要有RV,NRV,NMRV,RW,NRW,NMRW系列蜗轮蜗杆减速机公司技术人员又研究出变速范围大的基本型变速机 、 RV蜗轮减速机RV150 减速机。 (铝合金RV蜗轮减) 涡轮减速机,涡轮减速电机,涡轮蜗杆减速电机,NMRV与NRV(一 )NMRV系列NMRV-25-7.5 NMRV25-10 NMRV25-15 NMRV25-20 NMRV25-25 NMRV25-30 NMRV25-40 NMRV25-50 NMRV25-60 NMRV25-80NMRV30-7.5 NMRV30-10 NMRV30-15 NMRV30-20 NMRV30-25 NMRV30-30 NMRV30-40 NMRV30-50 NMRV30-60 NMRV30-70 NMRV30-80 NMRV30-90 NMRV30-100NMEV40-7.5 NMRV40-10 NMRV40-20 NMRV40-25 NMEV40-30 NMRB40-40 NMRV40-50 NMRV40-60 NMRV40-70 NMRV40-80 NMRV40-90 NMRV40-100 NMRB50-7.5 NMRV50-10 NMRV50-15 NMRV50-20 NMRV50-25 NMRV50-30 NMRV50-40 NMRV50-50 NMRV50-60 NMRV50-70 NMRV50-80 NMRV50-90 NMRV50-100 NMRV63-7.5 NMRV63-10 NMRV63-15 NMRV63-20 NMRV63-









