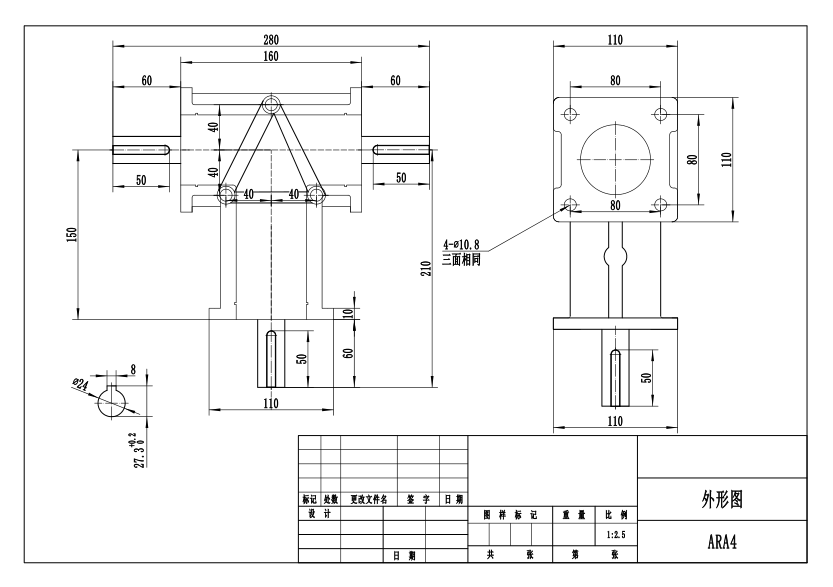
| ARA4换向器 换向箱 转向器 拐角箱 伞齿轮转向箱 微型转向箱 | |
| 发表时间:2020-12-17 阅读次数: 字体:【大 中 小】 | |
|
|
|
| 上一篇:ARA2换向器 转向箱 拐角箱 换向箱 转向器 | |
| 下一篇:SWL升降机平台 选型转向同步 |
| ARA4换向器 换向箱 转向器 拐角箱 伞齿轮转向箱 微型转向箱 | |
| 发表时间:2020-12-17 阅读次数: 字体:【大 中 小】 | |
|
|
|
| 上一篇:ARA2换向器 转向箱 拐角箱 换向箱 转向器 | |
| 下一篇:SWL升降机平台 选型转向同步 |